| 流量范圍 [m3/h] |
Q=1~240m3/h |
| 揚程 [m] | H=6~400m |
| 電機功率 [kW] | N=0.37kW~110kW |
| 水泵效率 [%] | η=32%~75% |
| 液體溫度 [℃] | -15℃~+120℃ |
| 進出口聯接圓法蘭規格 | DN25~DN150 |
| 說明 |
QDL2 |
QDL4 | QDL8 | QDL12 | QDL16 | QDL20 | QDL30 | QDL42 | QDL60 | QDL90 | QDL120 | QDL150 | QDL200 |
| 頻率 | 50HZ | ||||||||||||
|
額定流量[m3/h] |
2 | 4 | 8 | 12 | 16 | 20 | 30 | 42 | 60 | 90 | 120 | 150 | 200 |
| 流量范圍 [m3/h] | 1~3.6 |
1.8~7 |
5~11 |
8~16 |
8~22 |
12~28 |
22~40 |
30~54 |
45~75 |
72~108 |
60~150 |
80~180 |
100~240 |
| 最大壓力[bar] | 21 | 21 | 24 | 23 | 24 | 25 | 26 | 26 | 24 | 18 | 18 | 18 | 18 |
| 電機功率[kW] | 0.37~4 | 0.37~4 | 0.75~7.5 | 0.75~11 | 1.1~15 | 1.1~18.5 | 2.2~30 | 3~37 | 4~45 | 11~55 | 11~75 | 11~75 | 18.5~110 |
| 溫度范圍[℃] | -15℃~+120℃ | ||||||||||||
| 類型 | |||||||||||||
|
QDL |
● | ● | ● | ● | ● | ● | ● | ● | ● | ● | ● | ● | ● |
| QDLF | ● | ● | ● | ● | ● | ● | ● | ● | ● | ● | ● | ● | ● |
| 進出口口徑: | DN25 | DN32 | DN40 | DN50 | DN50 | DN50 | DN65 | DN80 | DN100 | DN100 | DN125 | DN125 | DN150 |



| 序號 | 名稱 | 材料 |
| 1 | 電動機 | |
| 2 | 電機座 | 鑄鐵 |
| 4 | 機械密封 | |
| 5 | 出口導流器 | 不銹鋼 |
| 6 | 普通導流器 | 不銹鋼 |
| 7 | 帶軸承導流器 | 不銹鋼 |
| 8 | 底部導流器 | 不銹鋼 |
| 11 | 軸承內圈 | 碳化鎢 |
| 12 | 葉輪 | 不銹鋼 |
| 13 | 泵軸 | 不銹鋼 |
| 14 | 級間套 | 不銹鋼 |
| 15 | 外圓筒 | 不銹鋼 |
| 16 | 聯軸器 | 碳鋼 |
| QDLF | ||
| 3 | 泵蓋 | 不銹鋼 |
| 9 | 進出水段 | 不銹鋼 |
| QDL | ||
| 3 | 泵蓋 | 鑄鐵 |
| 9 | 進出水段 | 鑄鐵 |
| 10 | 底座 | 鑄鐵 |

| 型號 |
配用電機 (kw) |
流量 Q(m3/h) |
30 | 36 | 40 | 42 | 46 | 50 | 54 |
| QDL42-20 | 7.5 |
揚程 H(m) |
36 | 34 | 33 | 32 | 29.5 | 27 | 23 |
| QDL42-30 | 11 | 54 | 51 | 49 | 48 | 44.5 | 40.5 | 34.5 | |
| QDL42-40 | 11 | 72 | 68 | 65 | 64 | 59 | 54 | 46 | |
| QDL42-50 | 15 | 90 | 85 | 82 | 80 | 74 | 67.5 | 57.5 | |
| QDL42-60 | 18.5 | 108 | 102 | 98 | 96 | 89 | 81 | 69 | |
| QDL42-70 | 22 | 126 | 119 | 115 | 112 | 104 | 94.5 | 80.5 | |
| QDL42-80 | 30 | 144 | 136 | 131 | 128 | 118 | 108 | 92 | |
| QDL42-90 | 30 | 162 | 153 | 147 | 144 | 133 | 121.5 | 103.5 | |
| QDL42-100 | 30 | 180 | 170 | 163 | 160 | 148 | 135 | 115 | |
| QDL42-110 | 37 | 198 | 187 | 179 | 176 | 163 | 148.5 | 126.5 | |
| QDL42-120 | 37 | 216 | 204 | 195 | 192 | 177 | 162 | 138 |

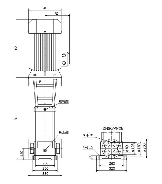
| 型號 | 尺寸(mm) |
重量 (kg) |
||||
| B1 | B2 | B1+B2 | P/AC | AD | ||
| QDL42-20 | 606 | 390 | 996 | 275 | 210 | 132 |
| QDL42-30 | 765 | 505 | 1270 | 350 | 255 | 185 |
| QDL42-40 | 819 | 505 | 1324 | 350 | 255 | 188 |
| QDL42-50 | 873 | 505 | 1378 | 350 | 255 | 204 |
| QDL42-60 | 927 | 560 | 1487 | 350 | 260 | 220 |
| QDL42-70 | 981 | 590 | 1571 | 380 | 280 | 263 |
| QDL42-80 | 1035 | 660 | 1695 | 420 | 305 | 316 |
| QDL42-90 | 1089 | 660 | 1749 | 420 | 305 | 319 |
| QDL42-100 | 1143 | 660 | 1803 | 420 | 305 | 322 |
| QDL42-110 | 1197 | 660 | 1857 | 420 | 305 | 345 |
| QDL42-120 | 1251 | 660 | 1911 | 420 | 305 | 348 |